Rov Wiring Diagram

29+ Rov Wiring Diagram Pics. Page 1 foreword this wiring diagram manual has been prepared to provide information on the electrical system of the 2007 rav4. Wiring diagrams and road maps have much in common.

Homemade Rov - Homemade Ftempo
Homemade Rov - Homemade Ftempo from robodoxrov.files.wordpress.com
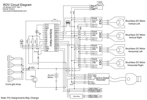
Page 1 foreword this wiring diagram manual has been prepared to provide information on the electrical system of the 2007 rav4. D 2007 toyota new car features. If there is smoke or the motors just don't work, check your wiring against the rov's circuit diagram.

Like kkp6d mentioned the us site would be better if you did that.

They do have the wiring schematics but you have to pay for that. 2007 rav4 electrical wiring diagrams. Wiring diagrams and road maps have much in common. Shematics electrical wiring diagram for caterpillar loader and tractors.


Belum ada Komentar untuk "Rov Wiring Diagram"

Posting Komentar

Iklan Atas Artikel

Iklan Tengah Artikel 1

Iklan Tengah Artikel 2

Iklan Bawah Artikel